


|
Pensemos en esta posible solución desarrollada por alumnos de 1° año (Ex 7° ) de la EET N° 5 de Lanús durante el año 2006 |
|
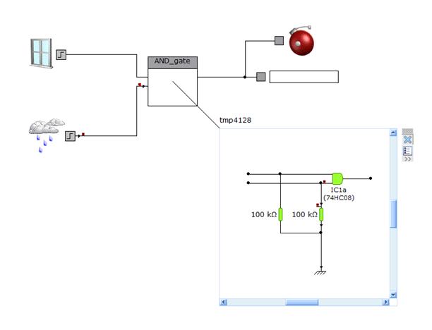
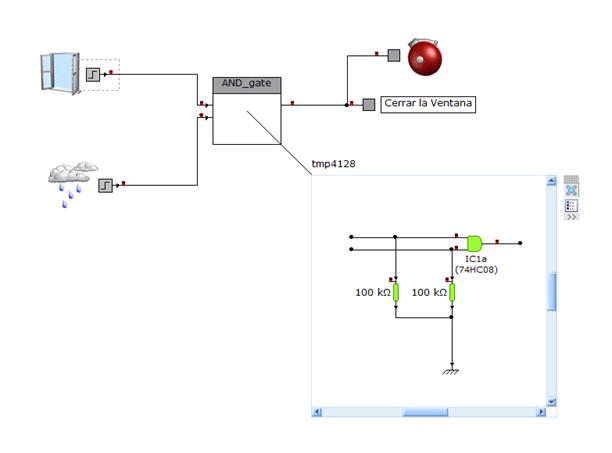
Cuando la ventana esta cerrada y no llueve, la alarma para avisar al productor no se activara. |
|
Después de plantearles la situación problema los alumnos, formaron equipos de trabajo y desarrollaron posibles soluciones, una de las seleccionadas es la que veremos a continuación. Los alumnos y alumnas desarrollaron una maqueta de madera, para la cual utilizaron micro switch como elemento de control para censar si alguna ventana estaba abierta, leds y buzzers para señalizarlas y un interruptor el cual simulaba un censor de lluvia. |

|
Ejemplo de una Ventana |
|
Mirada Lógica Digital |
|
Cuando la ventana esta abierta y no llueve, la alarma para avisar al productor no se activara. |
|
Anterior |

|
Cuando la ventana esta cerrada y llueve, la alarma para avisar al productor no se activara. |





|
Siguiente |
|
Mirada Lógica Digital |
|
Mirada Lógica Digital |
|
Mirada Lógica Digital |