


|
Siguiente |

|
Herramientas necesarias:
Sierra eléctrica o de marquetería Lápiz, Regla Cola para madera, Pegamento universal Soldadora, Alambre para soldar Escofina Lija Alicates de corte lateral Alicates pelacables Tijeras de hojalatero Taladro Broca ø5 mm Punzón Cinta Aisladora |
|
INSTRUCCIONES DE MONTAJE |
|
1. Perforar los listones de madera (1,2) y la varilla redonda (5) según la plantilla de corte (pág. 5). Redondear los cantos del listón (h) con la escofina. Lijar bien todos los cantos de corte. Desbarbar las perforaciones con una avellanadora. Hacer una perforación de ø5 mm y unos 15-20mm de profundidad en el centro de la barra redonda (3). |



|
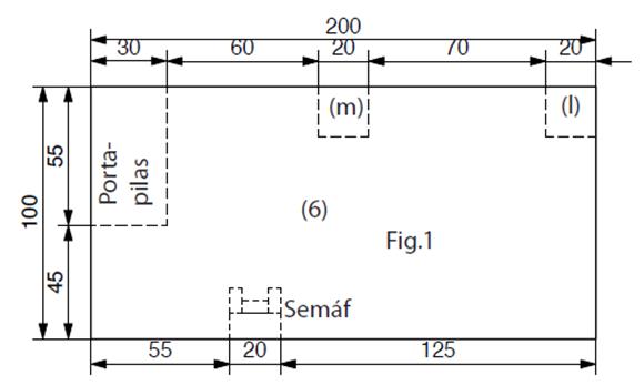
2. Marcar en la placa base (6) los sitios para las piezas individuales (l + m), así como para el semáforo y el portapilas (Fig. 1).
|
|
Montaje: |
|
3. Encolar las piezas (l) y (m) en la placa base (6) como se ilustra, en los sitios para ello previstos. |
|
4. Enrollar la chapa de metal (4) alrededor de la barra redonda (3) y fijar con 2 chinchetas (15). Recortar de la cinta aislante (8) dos trozos de 120 mm y dos trozos de 35 mm, y adherirlos a la chapa de metal como se ilustra en la Fig. 3. |
|
Posicionamiento cinta aislante en cilindro contacto: |